page 1
page 2
page 3
page 4
page 5
page 6
page 7
page 8
page 9
page 10
page 11
page 12
page 13
page 14
page 15
page 16
page 17
page 18
page 19
page 20
page 21
page 22
page 23
page 24
page 25
page 26
page 27
page 28
page 29
page 30
page 31
page 32
page 33
page 34
page 35
page 36
page 37
page 38
page 39
page 40
page 41
page 42
page 43
page 44
page 45
page 46
page 47
page 48
page 49
page 50
page 51
page 52
page 53
page 54
page 55
page 56
page 57
page 58
page 59 page 60
page 61
page 62
page 63
page 64
page 65
page 66
page 67
page 68
page 69
page 70
page 71
page 72
page 73
page 74
page 75
page 76
page 77
page 78
page 79
page 80
page 81
page 82
page 83
page 84
< prev - next > Energy Stoves and Ovens smoke technology inventory nepal (Printable PDF)
Inventory of Innovative Indoor Smoke
Alleviating Technologies in Nepal
49
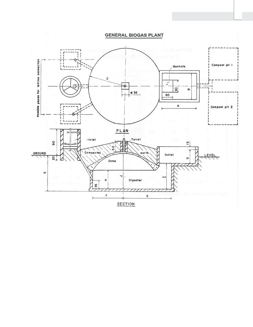
Figure 6.1: GGC 2047 model biogas plant
There are different practical models of biogas plants.
Floating drum digester, fixed dome digester and
deenbandhu model are common types of biogas plant.
Among these, fixed dome digester (GGC Model 2047)
with the capacity of 4, 6, 8 and 10 cu. m have been
widely adopted in Nepal. These models are feasible to
use up to 2100 m altitude. The cost of this model with 6
cu. m. is NRs. 24,621 in 2005/2006. The present policy
of the government has a provision of capital subsidy to
the biogas users based on geographical area and the
size of the plant as shown in Table 6.1.
Major organisations working on biogas technology in
Nepal:
 Alternative Energy promotion centre (AEPC)/MOEST
is implementing Biogas Sector Partnership Nepal
(BSP-N) programme
 Centre for Renewable Energy (CRE)
 Center for Appropriate Technology Nepal
 Nepal Biogas Promotion Association (NBPA)
representing more than 65 private companies
Please see the list of organisations involved in the biogas
promotion at Annex 5.
The reason for limited biogas plants installation in high
hilly mountainous region is the low average ambient
temperature as the optimum temperature for biogas