Synchronverter
Synchronverters or virtual synchronous generators[1][2] are inverters which mimic synchronous generators (SG)[3] to provide "synthetic inertia" for ancillary services in electric power systems.[4] Inertia is a property of standard synchronous generators associated with the rotating physical mass of the system spinning at a frequency proportional to the electricity being generated. Inertia has implications towards grid stability as work is required to alter the kinetic energy of the spinning physical mass and therefore opposes changes in grid frequency. Inverter-based generation inherently lacks this property as the waveform is being created artificially via power electronics.

Background
Standard inverters are very low inertia elements. During transient periods, which are mostly because of faults or sudden changes in load, they follow changes rapidly and may cause a worse condition, but synchronous generators have a notable inertia that can maintain their stability.
The grid is designed to operate at a specific frequency. When electric power supply and demand is perfectly balanced the grid frequency will remain at its nominal frequency. However, any imbalance in supply and demand will lead to a deviation from this nominal frequency. It is standard for electricity generation and demand to not be perfectly balanced, but the imbalance is tightly controlled such that the grid frequency remains within a small band of ±0.05 Hz.[5] A synchronous generator’s rotating mass acts as a bank of kinetic energy for the grid to counteract changes in frequency – it can either provide or absorb power from the grid – caused by an imbalance of electric power supply and demand – in the form of kinetic energy by speeding up or slowing down. The change in kinetic energy is proportional to the change in frequency. Because it takes work to speed up or slow down rotating mass, this inertia dampens the effects of active power imbalances and therefore stabilizes the frequency.[6] Because inverter-based generation inherently lacks inertia, increasing penetration of inverter-based renewable energy generation could endanger power system reliability.[7][8]
Further, the variability of renewable energy sources (RES), primarily concerning photovoltaics (PV) and wind power, could amplify this issue by creating more frequent transient periods of power imbalance. Theoretically, inverter-based generation could be controlled to respond to frequency imbalances by altering its electric torque (active power output). Synthetic inertia is defined as the “controlled contribution of electrical torque from a unit that is proportional to the rate of change of frequency (RoCoF) at the terminals of the unit.”[9] However, in order to have capacity to react to this RoCoF, the participating generators would be required to operate at levels below their maximum output, so that a portion of their output is reserved for this particular response. Further, the inherent variability of production limits the generators' capacity to provide synthetic inertia. This requirement for a reliable and fast-acting power supply makes inverter-based energy storage a better candidate for providing synthetic inertia.
History
Hydro-Québec began requiring synthetic inertia in 2005 as the first grid operator. To counter frequency drop, the grid operator demands a temporary 6% power boost by combining the power electronics with the rotational inertia of a wind turbine rotor.[4] Similar requirements came into effect in Europe in 2016,[10][11] and Australia in 2020.[12][13]
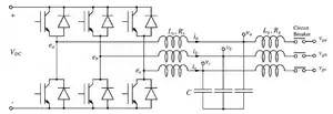
Synchronverter model


Synchronverter structure can be divided into two parts: power part (see figure 2) and electronic part. The power part is energy transform and transfer path, including the bridge, filter circuit, power line, etc. The electronic part refers to measuring and control units, including sensors and digital signal processor (DSP).
The important point in modeling synchronverter is to be sure that it has similar dynamic behavior to Synchronous generator (see figure 3). This model is classified into 2-order up to 7-order model, due to its complexity. However, 3-order model is widely used because of proper compromise between accuracy and complexity.[14]
where and are dq-axes components of terminal voltage.
While synchronverter terminal voltage and current satisfy these equations, synchronverter can be looked as Synchronous generator. This make it possible to replace it by a synchronous generator model and solve the problems easily.
Control strategy

As shown in the figure 3, when the inverter is controlled as a voltage source, it consists of a synchronization unit to synchronize with the grid and a power loop to regulate the real power and reactive power exchanged with the grid. The synchronization unit often needs to provide frequency and amplitude.[15] But when inverter is controlled as a current source, the synchronization unit is often required to provide the phase of the grid only, so it is much easier to control it as a current source.[16]

Since a synchronous generator is inherently synchronized with the grid, it is possible to integrate the synchronization function into the power controller without synchronization unit.[17] This results in a compact control unit, as shown in the figure 4.
Applications
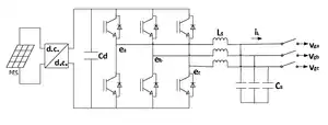
PV

As mentioned before, synchronverters can be treated like synchronous generator, which make it easier to control the source, so it should be widely used in PV primary energy sources (PES).[18]
DC microgrid
Synchronverter also is suggested to be used in microgrids because DC sources can be coordinated together with the frequency of the ac voltage, without any communication network.[21]
Battery reserve
As demonstrated by the Hornsdale Power Reserve in Australia
See also
References
- Fang Gao, M. Reza Iravani. “A control strategy for a distributed generation unit in grid-connected and autonomous modes of operation”, IEEE Transactions on power delivery, volume 23, pp. 850-859, (2008)
- Yong Chen, Ralf Hesse, Dirk Turschner, et al. “Improvingthe gr id power quality using virtual synchronous machines”, Proceedings of the 2011 International Conference on Power Engineering, Energy and Electrical Drives, pp. 1 -6, (2011).
- Qing-Chang, Zhong; Weiss, George (2011). "Synchronverters: Inverters That Mimic Synchronous Generators". IEEE Transactions on Industrial Electronics. 58 (4): 1259–1267. doi:10.1109/TIE.2010.2048839. S2CID 11627662.
- Fairley, Peter (7 November 2016). "Can Synthetic Inertia from Wind Power Stabilize Grids?". IEEE. Retrieved 29 March 2017.
- Kirby, B. J. (2003-03-26). "Frequency Control Concerns in the North American Electric Power System". doi:10.2172/885842. OSTI 885842.
{{cite journal}}: Cite journal requires|journal=(help) - Ulbig, Andreas (2014). "Impact of Low Rotational Inertia on Power System Stability and Operation". IFAC Proceedings Volumes. 47 (3): 7290–7297. doi:10.3182/20140824-6-ZA-1003.02615. S2CID 10538426.
- Peyghami, Saeed; Davari, Pooya; Mokhtari, Hossein; Loh, Poh Chiang; Blaabjerg, Frede (2016). "Synchronverter-enabled DC power sharing approach for LVDC microgrids" (PDF). IEEE Transactions on Power Electronics. 32 (10): 8089. Bibcode:2017ITPE...32.8089P. doi:10.1109/TPEL.2016.2632441. S2CID 39882891.
- Waffenschmidt, Eberhard; S.Y. Hui, Ron. "Virtual inertia with PV inverters using DC-link capacitors".
{{cite journal}}: Cite journal requires|journal=(help) - Eriksson, R.; Modig, N.; Elkington, K. (2018). "Synthetic inertia versus fast frequency response: a definition". IET Renewable Power Generation. 12 (5): 507–514. doi:10.1049/iet-rpg.2017.0370. ISSN 1752-1416.
- "Network Code on Requirements for Grid Connection Applicable to all Generators (RfG)". ENTSO-E. April 2016. Retrieved 29 March 2017.
- "The utilization of synthetic inertia from wind farms and its impact on existing speed governors and system performance". ELFORSK. 2013. p. 6 (Summary). Retrieved 18 April 2017.
Installing wind turbines with synthetic inertia is a way of preventing this deterioration.
- "Mandatory primary frequency response". AEMC. 26 March 2020. Archived from the original on 8 March 2020.
- Mazengarb, Michael (27 March 2020). "AEMC makes frequency response mandatory for all generators, renewables to be hit with costs". RenewEconomy.
- Zhang, Chang-Hua; Qing-Chang, Zhong; Jin-Song, Meng; Xin, Chen. "An Improved Synchronverter Model and its Dynamic Behaviour Comparison with Synchronous Generator".
{{cite journal}}: Cite journal requires|journal=(help) - S. Shinnaka, “A novel fast-tracking D-Estimation method for single-phase signals,” IEEE Trans. Power Electron., vol. 26, no. 4, pp. 1081–1088, Apr. 2011.
- M. Kazmierkowski and L. Malesani, “Current control techniques for threephase voltage-source PWM converters: A survey,” IEEE Trans. Ind. Electron., vol. 45, no. 5, pp. 691–703, Oct. 1998.
- Zhong, Qing-Chang (2014). "Self-Synchronized Synchronverters: Inverters Without a Dedicated Synchronization Unit". IEEE Transactions on Power Electronics. 29 (2): 617–630. Bibcode:2014ITPE...29..617Z. doi:10.1109/TPEL.2013.2258684. S2CID 24682925.
- Ferreira; Brandao (2016). "Single-phase Synchronverter for Residential PV Power Systems".
{{cite journal}}: Cite journal requires|journal=(help) - Aouini, Raouia, et al. "Synchronverter-based emulation and control of HVDC transmission." IEEE Transactions on Power Systems 31.1 (2016): 278-286.
- Ma, Zhenyu. Synchronverter-based control for wind power. Diss. © Zhenyu Ma, 2012.
- Peyghami, Saeed; Davari, Pooya; Mokhtari, Hossein; Chiang Loh, Poh (2016). "Synchronverter-Enabled DC Power Sharing Approach for LVDC Microgrids" (PDF). IEEE Transactions on Power Electronics. 32 (10): 8089. Bibcode:2017ITPE...32.8089P. doi:10.1109/TPEL.2016.2632441. S2CID 39882891.